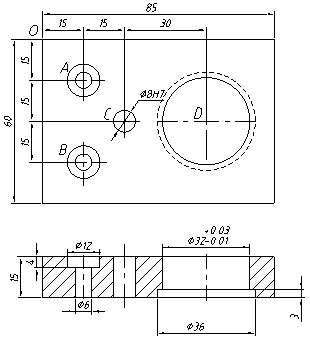
例1:如圖9.1所示,為一長方形板類零件,工件材料為45號鋼,六面已加工,試分析孔加工工藝及編寫該零件的加工程序。

1、零件加工工藝分析
如圖所示的零件,其上共有4個孔,兩個精度要求不高的φ6/φ12的沉頭孔,可以直接鉆頭鉆穿,后采用φ12的立銑刀擴出沉孔。φ8H7的通孔要求精度較高,可以先采用φ7.8的鉆頭先鉆穿,留0.2mm的余量進行鉸削加工,保證精度。φ36的沉孔為了保證孔的同軸度和表面的垂直度可以采用背鏜工藝,因此該零件安排的加工工藝過程如下:
(1)為保證孔間距精度,先采用中心鉆點孔。
(2)采用φ6的鉆頭鉆削兩個φ6孔。
(3)采用φ7.8鉆頭鉆削φ8孔留余量0.2mm。
(4)采用φ30鉆頭鉆留余量2mm。
(5)擴φ12沉孔。
(6) 粗鏜φ32孔留余量0.03mm。
(7)背鏜φ36孔至尺寸。
(8)鉸φ8H7。
(9) 精鏜φ32孔。
2、刀具及切削用量的選擇
加工零件所需的刀具及其切削用量選擇見表。
表 加工刀具及切削用量
刀號 | 加 工 內 容 | 刀具規格 | 主軸轉速 r/min | 進給速度 mm/min | 刀具補償 | ||
類型 | 材料 | 半徑 | 長度 | ||||
T1 | 中心鉆點孔 | φ3mm中心鉆 | 高速鋼 | 1300 | 80 | H01 | |
T2 | 鉆孔 | φ6mm鉆頭 | 800 | 100 | H02 | ||
T3 | 鉆孔 | φ7.8鉆頭 | 600 | 100 | H03 | ||
T4 | 鉆孔 | φ30鉆頭 | 200 | 60 | H04 | ||
T5 | 擴孔 | φ12立銑刀 | 600 | 100 | H05 | ||
T6 | 粗鏜 | 可調粗鏜刀 | 硬質合金 | 800 | 100 | H06 | |
T7 | 鏜孔 | 可調背鏜刀 | 600 | 50 | H07 | ||
T8 | 鉸孔 | φ8H7鉸刀 | 高速鋼 | 200 | 50 | H08 | |
T9 | 精鏜 | 可調精鏜刀 | 硬質合金 | 800 | 50 | H09 | |
3、確定編程原點位置及相關的數值計算
根據工藝分析,為方便計算與編程,如圖10.1所示,選左上角的O點為工件坐標系原點。4個點位的坐標如下:
A(X = 15.00 Y = -15.00) B(X = 15.00 Y = -45.00)
C(X = 30.00 Y = -30.00) D(X = 60.00 Y = -30.00)
4、參考程序
程序段號 | O100 | 程序名 |
G40 G80 G49; | 安全設定。 | |
G28 G91 Z0; | 經當前點,返回換刀點。 | |
G28 X0 Y0; | 返回機床原點。 | |
G54; | 坐標系設定。 | |
N1 | M06 T01; | 換1號刀(φ3mm中心鉆),適用無機械手盤式刀庫。 |
M03 S1300; | 主軸設定。 | |
M8; | 冷卻液設定。 | |
G43 G90 G0 Z20. H01; | 下刀至橫越平面,同時執行刀具長度補償。 | |
G99 G81 X15. Y-15. R3 Z -4. F80; | 中心鉆點出A孔位。 | |
X15. Y-45.; | 點出B孔位。 | |
X30. Y-30.; | 點出C孔位。 | |
X60. Y-30.; | 點出D孔位。 | |
G80 G28 G91 Z0; | 返回換刀點。 | |
N2 | M06 T02; | 換2號刀(φ6mm鉆頭)。 |
M03 S800; | 主軸設定。 | |
G43 G90 G0 Z20. H02; | 下刀至橫越平面,同時執行刀具長度補償。 | |
G73 X15. Y-15. Z -19. Q4. F100; | 斷削鉆方式鉆削A孔。 | |
X15. Y-45.; | 斷削鉆方式鉆削B孔。 | |
G80 G28 G91 Z0; | 返回換刀點。 | |
N3 | M06 T03; | 換3號刀(φ7.8鉆頭)。 |
M03 S600; | 主軸設定。 | |
G43 G90 G0 Z20. H03; | ||
G73 X30. Y-30. Z -19. Q4. F100; | 斷削鉆方式鉆削C孔。 | |
G80 G28 G91 Z0; | ||
M5; | 主軸停。 | |
M9; | 冷卻液停 | |
M1; | 選擇性暫停,測量尺寸,保證余量。(試件時使用) | |
N4 | M06 T04; | 換4號刀(φ30鉆頭)。 |
M03 S200; | ||
M8; | 冷卻液設定。 | |
G43 G90 G0 Z20. H04; | ||
G73 X60. Y-30. Z -19. Q4. F60; | 斷削鉆方式鉆削D孔。 | |
G80 G28 G91 Z0; | ||
N5 | M06 T05; | 換5號刀(φ12立銑刀)。 |
M03 S600; | ||
G43 G90 G0 Z20. H05; | ||
G81 X15. Y-15. Z -19. F100; | 銑削沉孔A。 | |
X15. Y-45.; | 銑削沉孔B。 | |
G80 G28 G91 Z0; | ||
N6 | M06 T06; | 換6號刀(可調粗鏜刀)。 |
M03 S800; | ||
G43 G90 G0 Z20. H06; | ||
G86 X60. Y-30. R3. Z -17. F100; | 鏜φ32孔留0.02mm余量。 | |
G80 G28 G91 Z0; | ||
M5; | ||
M9; | ||
M1; | 選擇性暫停,調整余量。(試件時使用) | |
N7 | M06 T07; | 換7號刀(可調背鏜刀)。 |
M03 S600; | ||
M8; | 冷卻液設定。 | |
G43 G90 G0 Z20. H07; | ||
G87 X60. Y-30. R-18. Z -12. Q2. F50; | 背鏜φ36孔至尺寸。 | |
G80 G28 G91 Z0; | ||
M5; | ||
M9; | ||
M1; | 選擇性暫停,控制尺寸。(試件時使用) | |
N8 | M06 T08; | 換8號刀(φ8H7鉸刀)。 |
M03 S200; | ||
M8; | 冷卻液設定。 | |
G43 G90 G0 Z20. H08; | ||
G85 X30. Y-30. R3. Z -19. F50; | 鉸φ8H7孔。 | |
G80 G28 G91 Z0; | ||
M5; | ||
M9; | ||
M1 | ||
N9 | M06 T09; | 換9號刀(可調精鏜刀)。 |
M03 S800; | ||
M8; | 冷卻液設定。 | |
G43 G90 G0 Z20. H09; | ||
G76 X60. Y-30. R3. Z -17.Q2. F50; | 精鏜φ32孔至尺寸。 | |
G80 G28 G91 Z0; | ||
M30; | 程序結束,光標返回程序頭。 |
5、加工注意事項
(1)裝夾鏜刀桿時,要注意首先使用M19控制好準定方位,另外,注意系統內設的退刀方向。
(2)在首件加工要按下選擇性暫停按鈕,調整好刀具,控制精度。
2024-11
本文以組合式六角亭模型為實例,分析工藝難點與加工可行性,指出該模型的加工難點是模型形狀不規則和整體剛性差,并通過設計新的工藝方案解決加工難點,完成了模型整體的加工。新的加工工藝有助于提高加工效率和精度,為五軸數控加工提供了一個典型案例,對于五軸加工中心數控加工也具有指導作用和重要… [了解更多]
2024-11
宇匠數控 備注:為保證文章的完整度,本文核心內容由PDF格式顯示,如未有顯示請刷新或轉換瀏覽器嘗試,手機瀏覽可能無法正常使用!本文摘要:通過對混聯五軸加工中心自適應深度學習控制方法的 研 究,可 知 此 方 法 的 創 新 之 處 在 于:1)建 立 了 機 床 的 運 動 學 … [了解更多]
2024-11
在機測量技術由于其成本低、檢測效率高、無需二次裝夾等優勢被廣泛用于零件加工測量當中,使得五軸加工中心和五軸鉆攻中心,同時又兼具測量功能。在機測量系統的構成如圖1所示,硬件部分主要是由高精度探頭、信號接收器、機床整個本體,軟件部分由機床控制系統、測量軟件等組成[8]。待零件加工完成… [了解更多]
2024-11
?加工精度是影響機床性能和產品質量的主要難題,也是制約國家精密制造能力的重要因素。本文以五軸加工中心為對象,針對提升機床精度進行了研究。并且隨著科技的發展,精密的儀器和零件在生產實踐中占據的分量逐漸增加,在數控機床這種精密機器精度不斷提高的同時,必須控制內外界環境的隨機影響因素在… [了解更多]