如圖8-13用一臺機械加工中心來銑削摩托車缸體上的出油口結合面。通過液壓缸的夾緊裝置,使摩托車缸體固定在銑床加工工作臺上;進給油缸控制進給,進行銑削加工。機械加工中心采用繼電器控制電路來控制液壓系統,完成對出油口的夾緊和銑削工作。
按下啟動按鈕,夾緊缸伸出,夾緊工件;當夾緊缸外伸到前端點時,壓下行程開關。該行程開關控制繼電器,使繼電器觸點接合,控制進給缸運動。當進給缸活塞桿外伸至前端位置時,再次壓下一個行程開關,控制夾緊缸回程,最終,第三個行程開關被壓下,控制系統還原到新工作循環的開始狀態。
案例分析:
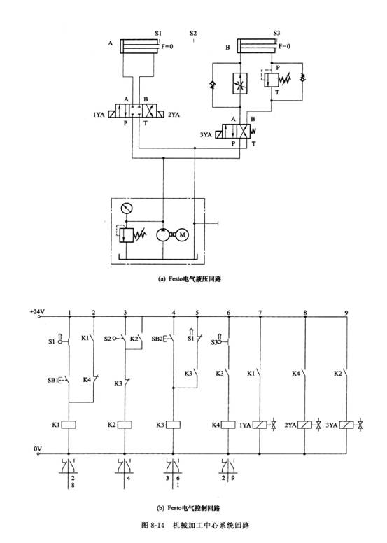
電氣液壓回路及電氣控制回路見圖8-14。按下啟動開關SB1實現進給運動,SB2控制回程運動。
(1)進給運動:
夾緊缸活塞桿壓下行程開關S1,當按下ssi開關后,繼電器K1通電并且接通自鎖電路2o K1繼電器的常開觸點閉合,電磁鐵lYA得電,三位四通雙電控換向閥左位工作,油液從P口流至A口,夾緊缸活塞桿伸出至末端,壓下行程開關S2并接通電路3,繼電器K2通電,并且接通自鎖回路。電磁鐵3YA得電,二位四通電磁閥左位工作,進給液壓缸在有背壓的條件下伸出運動,一直處于被壓下狀態的行程開關S3現在已被釋放。

圖8-13機械加工中心示意圖

機械加工中心系統回路
<2)回程運動:
按下開關SB2,繼電器K3得電并且接通自鎖電路5, K3的常閉觸點斷開,使繼電器K2失電,并且自鎖中斷。二位四通電磁換向閥換向右位工作,進給缸活塞桿開始回程運動。一旦進給缸活塞桿退回到初始端,行程開關S3再次被壓下,通過電路6觸發繼電器K4,此繼電器中斷電路2,繼電器K1的自鎖連接解除,K1斷電,電磁鐵lYA失電。同時,繼電器K4的常開觸點閉合,電磁鐵2YA得電,電磁換向閥右位工作,夾緊缸活塞桿開始退回。一旦退回到末端,壓下行程開關S1,這將中斷繼電器K3的自鎖,K3失電,同時中斷繼電器K4。此時,所有繼電器處于原始狀態,控制系統還原到新工作循環的開始狀態。
結論:
(1)按照液壓回路圖完成之后,將二位四通電磁閥置于原位,確保進給缸的活塞桿已經退回至液壓缸底端。啟動液壓泵并且逐漸關小系統溢流閥開度,此后,通過連接24 V電源,分別接通電磁閥換向,以檢查液壓系統的工作情況。
(2)表8-1為機械加工中心系統電磁鐵和行程開關的動作順序。

2024-11
本文以組合式六角亭模型為實例,分析工藝難點與加工可行性,指出該模型的加工難點是模型形狀不規則和整體剛性差,并通過設計新的工藝方案解決加工難點,完成了模型整體的加工。新的加工工藝有助于提高加工效率和精度,為五軸數控加工提供了一個典型案例,對于五軸加工中心數控加工也具有指導作用和重要… [了解更多]
2024-11
宇匠數控 備注:為保證文章的完整度,本文核心內容由PDF格式顯示,如未有顯示請刷新或轉換瀏覽器嘗試,手機瀏覽可能無法正常使用!本文摘要:通過對混聯五軸加工中心自適應深度學習控制方法的 研 究,可 知 此 方 法 的 創 新 之 處 在 于:1)建 立 了 機 床 的 運 動 學 … [了解更多]
2024-11
在機測量技術由于其成本低、檢測效率高、無需二次裝夾等優勢被廣泛用于零件加工測量當中,使得五軸加工中心和五軸鉆攻中心,同時又兼具測量功能。在機測量系統的構成如圖1所示,硬件部分主要是由高精度探頭、信號接收器、機床整個本體,軟件部分由機床控制系統、測量軟件等組成[8]。待零件加工完成… [了解更多]
2024-11
?加工精度是影響機床性能和產品質量的主要難題,也是制約國家精密制造能力的重要因素。本文以五軸加工中心為對象,針對提升機床精度進行了研究。并且隨著科技的發展,精密的儀器和零件在生產實踐中占據的分量逐漸增加,在數控機床這種精密機器精度不斷提高的同時,必須控制內外界環境的隨機影響因素在… [了解更多]